• 线性稳压器的结构及原理(图解)

    线性稳压器,岸电稳压器,电力稳压器,净化稳压器,高精度稳压器是比较早使用的一类直流稳压器,它通过改变晶体管的导通程度来改变和控制其输出的电压和电流,在线性稳压器中晶体管相当于一个可变电阻,串接在供电回路中。线性稳压器有一个共同的特点就是它的功率器件调整管工作在...

    2018-05-07 小宋 1387

  • 电力交流稳压器的分类及特点

    稳压器在调试安装前,必须先检查设备各部件应完好无损,固定件应牢固可靠,再次确认,使用场合电压与稳压器电压是否相符,本设备为三相四线制,分相调节方式,其系统中线(零线)联结的可靠性要求较高,应尽可的减少中线(零线)联结的接触电阻。稳压器,电力稳压器,补偿式稳压器...

    2018-05-07 小宋 861

  • 大功率稳压器为什么采用双碳刷式?

    相信说起稳压器大家关不陌生,虽然没有用过,但也知道其用途,就是将所在区域电压不稳定改变为电压稳定的稳压器,但是如果说碳刷式稳压器,做计除业内及有用过的人来讲会有所了解。但是对于双碳刷稳压器是什么,双碳刷式稳压器有什么优点以及双碳刷式稳压器有什么特点,相信知道这...

    2018-05-07 小宋 925

  • 高速公路电源解决方案

    由于近年来技术水平的不断发展,各类半导体元器件,大规模集成电路组成的电子设备已在各个工作生产领域中起着非常重要的作用,在高速公路的收费系统、通讯系统、监控系统、指挥及控制系统等方面大量的应用电子计算机、数字程控交换机,微波通信,数字图形显示等高精电子设备,高速...

    2018-05-07 小宋 1047

  • 变压器导磁系统发展

    从以上发展历史的回顾中可知,深圳变压器,干式变压器,隔离变压器导磁材料的发展,促进导磁材料加工设备的现代化,铁芯结构的改进,空载损耗与空载噪声的大幅度下降,使变压器可以安装在居民区附近,指标满足环保要求。...

    2018-05-07 小宋 731

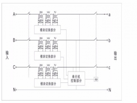
  • 无触点补偿式交流稳压器主电路图

    无触点补偿式交流稳压器,无触点补偿式交流稳压器主电路图采用目前国际先进的组合绕组补偿方式和无触点可控硅电路开关技术、DSP微机控制交流稳压运算技术于一体,具有高效节能、调节快速、无噪音、三相自动平衡、无机械故障和炭刷磨损及使用寿命长的特点....

    2018-05-07 小宋 880

版权所有 深圳市安博特电源设备有限公司 备案编号: 粤ICP备14094717号-4 未经授权禁止转载、摘编、复制或建立镜像,如有违反,追究法律责任

欢迎访问深圳市安博特电源设备有限公司官网!

Powered by MetInfo 5.3.19
xml
网站地图
'); })();